}) Распиновка контроллера, джойстика Subor, Liko Ремонт Настройки и Тех. Помощь Коды, Пароли, Секреты, Чит-Коды и Статьи | Retro-Bit

Логотип сайта retro-bit.ru

Уважаемые гости, Сайт продаётся! Цена 300 000 руб. (ТОРГА НЕТ!) Посещаемость от 400-500 человек в день!

По вопросу приобретения, пишите в vk - vk.com/emeraldgp

или в письмом на сайте. retro-bit.ru/index/0-3 Ник EmeraldGP

RANDOM GAME

MENU

CATEGORIES
Браузер [3]
Взлом [1]
Дампинг [0]
Настройка Приставки (Консоли) [31]
На иностранных языках. [1]
По сайту [2]
По эмулятору [19]
Подключение [5]
Ремонт [5]
Скрипты и Коды для сайтов [3]
Тех. Информация. [139]
Техническая Информация и Помощь
Файлы: Скачать [3]
Хостинг [3]
Хостинг для игровых серверов, хостинг радио. и хостинг сайтов. Избранное и проверенное для читателей нашего сайта.
Обратная Совместимость Игр на Приставках [0]
Ошибки и их решения [25]
Стрим, Трансляции [98]
Сетевая игра [1]
Запись игры [10]
Чиповки и Прошивки [11]
Разработка игр, для GameDev (for Developers) [1]
Распиновки [5]


Распиновка контроллера, джойстика Subor, Liko

Donate for Retro-bit.ru 

Распиновка контроллера, джойстика Subor, Liko

Джойстик этой приставки представляет из себя 8 ключей (кнопок) на печатной плате, которые подведены к микросхеме. Поскольку лично я имел дело только с китайскими клонами, то вместо микросхемы с ножками, у меня были только "капли". Но принципа работы это не меняет.

Непосредственно о подключении джойстика к консоли. Джойстик соединён с консолью, пятью проводами. На девяти пиновом разъёме вот такая распиновка:

2 - data - приём данных
3 - latch - сброс счётчика
4 - clock - счётчик
6 - +5в - питание
8 - земля

И так мы видим, что джойстик питается постоянным напряжением +5 вольт, и два провода (земля и питание) отвечают только за питание джойстика.

Теперь самое интересное, чем занимаются 3 остальных провода (data, latch, clock)?
Для наглядности ниже приведен график повышения и понижения напряжения на этих трёх проводах. Поэтому при объяснении я буду ссылаться на этот рисунок.

Как мы видим провод latch, кратковременным повышением напряжения, мы сообщаем джойстику о начале цикла считывания всех кнопок. Поэтому при написании кода эту функцию я делаю тоже в начале цикла. Как только напряжение упало, мы сразу можем считывать состояние первой клавиши (A). Джойстик на провод data, посылает пяти вольтовое напряжение (это логическая 1-ца), если клавиша не нажата. Если клавиша нажата, то data вернёт логический ноль (это пониженное напряжение).

И так, мы вроди-бы разобрались с приёмом сигналов от джойстика, и управлением начала цикла.
Теперь разберёмся, как считать все остальные клавиши.
По конструкции микросхемы джойстика, скорее всего она является обычным набором последовательно соединённых триггеров. По сути это простой счётчик, который при разном значении счётчика посылает информацию от разных клавиш, а latch это скорее всего обычное обнуление счётчика.
Поэтому, что-бы счётчик начал работать, мы и подаём кратковременные импульсы clock, и каждое второе падение напряжения на clock, приводит к повышению значения счётчика, что и позволит с data считать все клавиши по очереди.
Вот в принципе и всё.
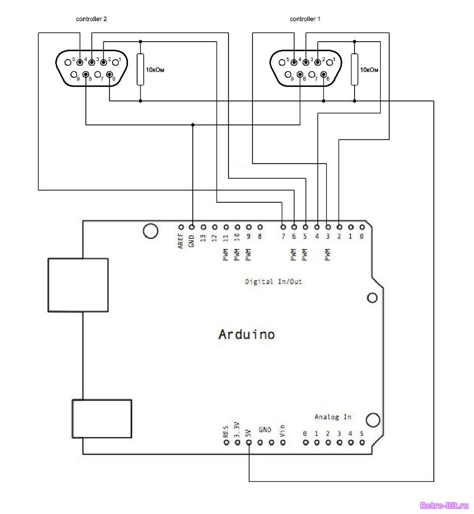
Схема подключения к "Ардуино Леонардо" и скетч, приведены ниже. Стоит отметить, что "питание" и data, нужно соединить подтягивающим резистором 10кОм. Это нужно на случий отсоединения джойстика от разъёма. Что-бы data продолжал оставаться в электрической цепи.

© Retro-Bit.Ru

Donate for Retro-bit.ru 

Похожие Коды, Секреты, Статьи:

Страница Распиновка контроллера, джойстика Subor, Liko Ремонт Настройки и Тех. Помощь Коды, Пароли, Секреты, Чит-Коды и Статьи

Если в сборнике нет кодов / паролей к игре, и вы желаете их добавить., перейдите в раздел, нажав кнопку: Добавить. Мы будем вам признательны за наполнение сборника кодов. Желаем вам хорошего настроения и ностальгии. Retro-Bit.ru

If you know cheat codes, secrets, hints, glitches or other level guides, that can help others leveling up, then please: Submit your Cheats. and share your insights and experience with other gamers. Thank you from Retro-Bit.ru

Категория: Ремонт | Добавил: EmeraldGP (06.12.2025)
Просмотров: 17 | Теги: Subor, Liko, джойстик, Распиновк, контроллер | Рейтинг: 0.0/0
Всего комментариев: 0
avatar
SEARCH

LOGIN

SHARE!

Donate for Retro-bit.ru 


SHARE!

CHAT

VISITS.

STAT.
Яндекс.Метрика
Онлайн всего: 2
Гостей: 2
Пользователей: 0

Сейчас на сайте:

Кто нас сегодня посетил



Retro-Bit © 2020-2026

Все права на материал с сайта сохранены и принадлежат их авторам. Любое копирование текста с сайта должно сопровождаться прямой активной ссылкой на наш сайт. Все игры (в том числе и онлайн), эмуляторы, и другие программы и материалы, предоставляются на некоммерческой основе (бесплатно) игры скачанные с этого сайта, носят ознакомительный характер и после ознакомления должны быть удалены. Некоторые материалы доступны на картриджах и других легальных носителях, поэтому могут быть приобретены для частного использования.

%
Сайт управляется системой uCoz